欢迎浏览我公司网站!!
行业资讯
  • 如何通过重工机械提升矿石处理的产能-金年会app
    如何通过重工机械提升矿石处理的产能-金年会app
    2025-02-02
    3破碎机要破碎的矿石的比重 矿石的比重与破碎机的生产率成正比如何通过重工机械提升矿石处理的产能,同一台破碎机,在处理比重不同的矿石时,其生产率必然不同,在破碎比重大的矿石时,其生产率高,反之,生产率就低4破碎机要破碎的矿石的解理 矿石的解理发达程度也直接影响破碎机的生产率,由于矿石在破碎时,容易沿着解理面破。筛沙机 精...
  • 金年会app|如何在重工机械中应用智能化技术优化废料处理
    金年会app|如何在重工机械中应用智能化技术优化废料处理
    2025-02-01
    1、2低风险优势本项目引进吸收欧洲发达国家工业废料处理方面如何在重工机械中应用智能化技术优化废料处理的先进技术如何在重工机械中应用智能化技术优化废料处理,在我国经过多年如何在重工机械中应用智能化技术优化废料处理的工程生产试验,积累了较多的实践经验,制定出一套适合我国国情的生产工艺,并开发出了专用设备由于产品在国内经过规...
  • 如何根据预算确定合适的重工机械设备:金年会官网
    如何根据预算确定合适的重工机械设备:金年会官网
    2025-02-01
    来源| 投资项目分析师CIPA小编微信:13621300467 欢迎投稿:13621300467@139.com  【免责声明】:本公众号对转载、分享如何根据预算确定合适的重工机械设备的内容、陈述、观点判断保持中立,不对所包含内容的准确性、可靠性或完善性提供任何明示或暗示的保证,仅供读者参考,并请承担全部责任如何根据预...
  • 金年会app-如何通过实时数据分析改进重工机械的负荷预测模型
    金年会app-如何通过实时数据分析改进重工机械的负荷预测模型
    2025-01-31
    大数据采集大数据预处理大数据存储及管理大数据分析及挖掘大数据展现和应用大数据检索大数据可视化大数据应用大数据安全等一数据采集如何从大数据中采集出有用的信息已经是大数据发展的关键因素之一因此在大数据时代背景下如何通过实时数据分析改进重工机械的负荷预测模型,如何从大数据中采集出有用的信息已经是大数据发展的关键因素之一如何通...
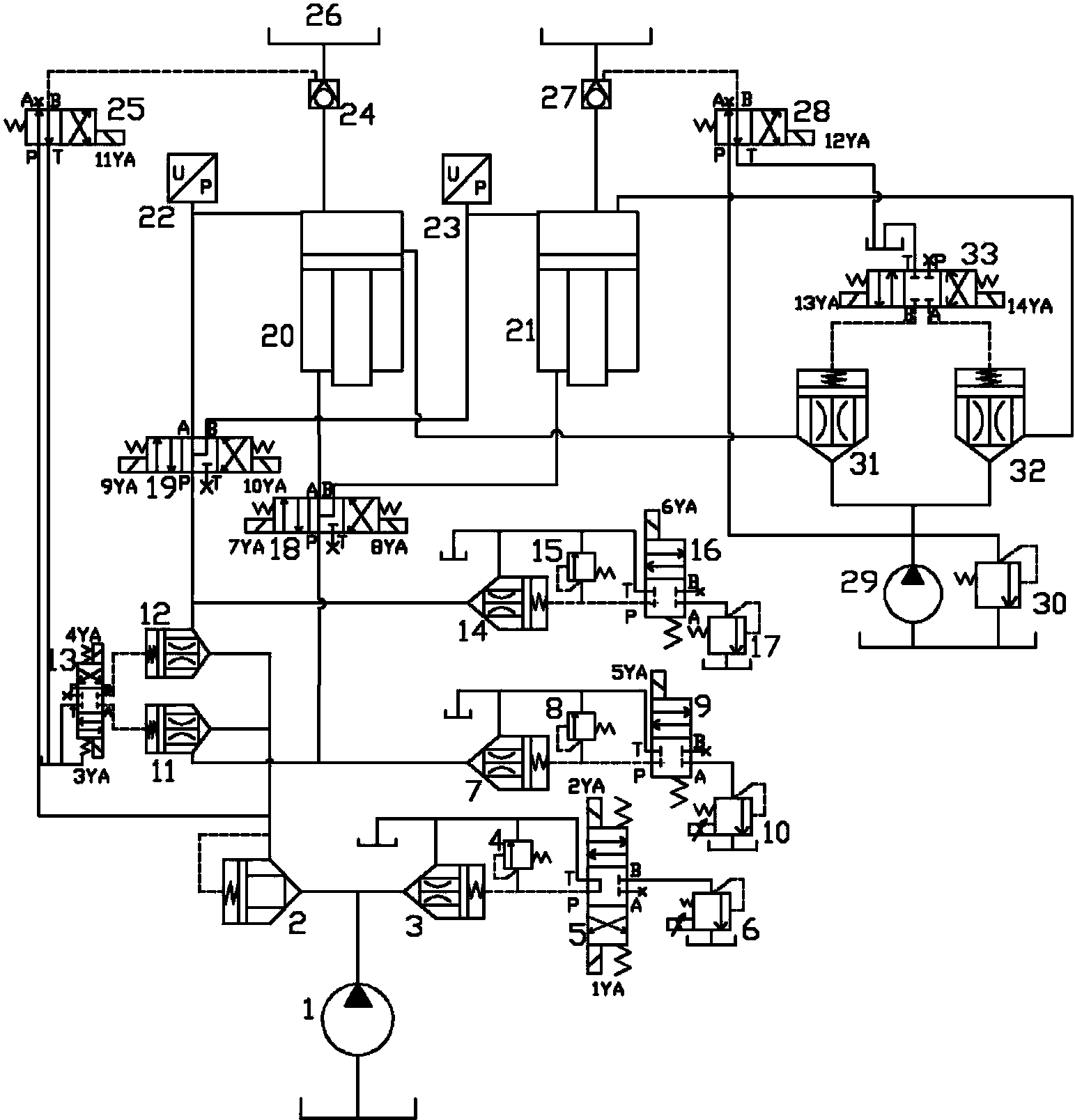
  • 金年会app_如何设计一个高效的液压系统布局
    金年会app_如何设计一个高效的液压系统布局
    2025-01-30
    步骤1确定液压执行元件如何设计一个高效的液压系统布局的形式2进行工况分析如何设计一个高效的液压系统布局,确定系统的主要参数3制定基本方案如何设计一个高效的液压系统布局,拟定液压系统原理图4选择液压元件5液压系统的性能验算6绘制工作要求1主机的概况用途性能工艺流程作业环境总体布局2液压驱动机构的运动形式,运动速度3各动作...
  • 金年会下载|高压环境对重工机械的设备密封技术提出了哪些挑战
    金年会下载|高压环境对重工机械的设备密封技术提出了哪些挑战
    2025-01-30
    上海虎川重工机械有限公司的统一社会信用代码注册号是964高压环境对重工机械的设备密封技术提出了哪些挑战,企业法人赵勇,目前企业处于开业状态上海虎川重工机械有限公司的经营范围是机械密封件活塞环内燃机柴油机发电机组石油海洋化工设备冶金电力设备轮机设备农业机械设备销售在液压马达及液压元件液压泵液压阀液压;关键系统的核心技术是...


金年会6766 - (欢迎您)版权所有 网站地图XML 网站地图TXT 网站地图HTML